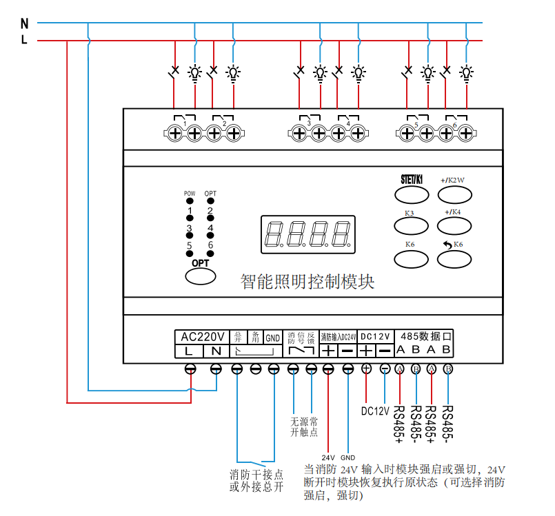
BH-0620A 6 路智能照明控制模塊
閱讀次數:1518 發布時間:2021-07-29


技術參數:
型號規格:BH-0620A
工作電壓:AC220V /DC12V 可選
標稱電流:20A
輸出回路:6 路
功 耗:< 4W
通訊方式:RS485 通訊,標準 Modbus-RTU 通訊協議
外形尺寸:126x104x66mm
功能特點:
數碼顯示;
通訊地址可設定;
消防聯動,強啟強切可設定;
全開全關延時可設定;
上電模式可設定;
掉電記憶功能可選擇;
波特率可設定;
可恢復出廠設置;
遠程集中控制與就地控制;
應急手動控制;
消防信號反饋;
后臺或面板場景設定;
后臺或面板負載狀態顯示;
可外加照度檢測、人體紅外微波感應;
可外加無線控制(手機、電腦、PAD );
可加電流檢測;
標準導軌安裝。
外形尺寸圖:

接線原理圖:



